Akkumulyatorlar uchun qo'lbola zaryadlash qurilmasi yasash (25)
387
Phone_Master
#1
Forumdoshlar kim qo'lbola zaryadchik yasay oladi? Yordam kerak edi, sxemalarga uncha tushunmayman. TC-180 2 transformatori va Д242 diodlaridan yasash kerak.
387
Phone_Master
#2
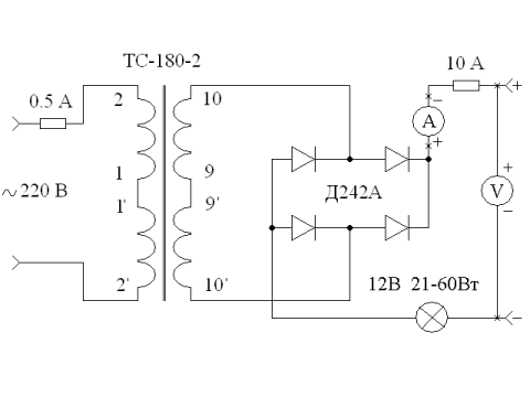
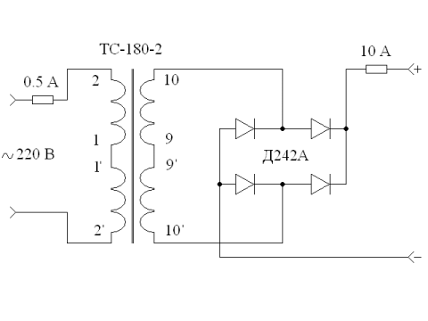
Mana sxemalari, shuni sodda qilib tushuntiringlar biladiganlar.
Biriktirilgan fayllar [2]:
 sxema1_640.gif (7.41 KB) (391 ↴)
 sxema2_640.gif (8.84 KB) (307 ↴)
628
moderno5
#3
anu 10A, 0,5A qanaqa element? qolgani tushunarli sal pal
387
Phone_Master
#4
moderno5, Shuni men ham bilmadim. Predoxranitelmikan.
mirzohid
#5
Phone_Master, U siz aytgan narsa urfdan qolib ketdiku, xozir kompyuterni blok pitaniyasidan yasashvotdi,
P/s Lekin sizga maslaxatim bu samadenniy qo'l bo'la yasalgan zaryadnikda akumliyatorizni zaryad qilmang, chunki akkumliyatorizni ishdan chiqishiga olib keladi, yani ichini o'yvoradi, Eng yaxshi zavod ishlab chiqargan zaryadnik.
mirzohid
#6
Qo'l bola xalq tili bilan aytganda samadenniy zaryadnik akumliyatorni tez zaryadlaydi to'ldiradi qaynatvoradi, va to'lgandan keyin uzmaydi, Zavod ishlab chiqargan zaryadnik sal sekinroq zaryadlaydi, va to'lgandan keyin uzadi, akumliyatoriz uzoq vaqtga xizmat qiladi
387
Phone_Master
#7
mirzohid, Qaynatvorguncha qo'ymaymanda. Yarim soat, bir soat zaryadlasam bo'ldi.
mirzohid
#8
Phone_Master, O'ziz bilasiz lekin baribir akumliyatorga zarar, kitobida ham shunday deyilgan))
NURATOGI
#9
Masalan man eski Jinlipu TV dan yasaganman 12VOLT 6A tok berar edi.
Yoshka
#10
GoldBerg, # GoldBerg (02.02.2018 / 12:02)
Masalan man eski Jinlipu TV dan yasaganman 12VOLT 6A tok berar edi.
Bu juda kamku akumlyator amperi ortacha 60 amperga teng sizning zaryadnigiz 6 amper bu akumlyatorni toyintira olmaydi
Yoshka
#11
mirzohid, # mirzohid (01.02.2018 / 21:52)
Phone_Master, U siz aytgan narsa urfdan qolib ketdiku, xozir kompyuterni blok pitaniyasidan yasashvotdi,
P/s Lekin sizga maslaxatim bu samadenniy qo'l bo'la yasalgan zaryadnikda akumliyatorizni zarya
Gaplaringiz bir tomondan togri lekin qachongacha xitoy texnikalariga qaraymiz
o'zimiz xarakat qiladigan vaqt kelmadimikan
mirzohid
#12
Yoshka, uning uchun sxemalar kere sizga kereli zapchastlar v/k lar unga ketadigan zapchaslarni ozimizda qimmatga sotib olib yasagandan yangi ogan yaxshi qimmatga tushib ketadi
Unforgettable
#13
moderno5, 10амперли ва 0.5амперли предохранитель
Unforgettable
#14
Phone_Master, Схемада 220в ўзгарувчан ток трансформатор орқали 12волтга айланади ва диодлар кўпригидан ўтиб 12волт ўзгармас токга айланади.
Yoshka
#15
10 A yoniga ampermetr qoysangizxam buladi akumlyator zaryadi toyinayotganini korib turasiz
Unforgettable
#16
адашмасам схемада амперметр ва волтметр турибди.
mirzohid
#17
qisqasi TS 160 selevoy va taqa diod kere boladi
NURATOGI
#18
Yoshka, # Yoshka (06.02.2018 / 22:39)
GoldBerg, Bu juda kamku akumlyator amperi ortacha 60 amperga teng sizning zaryadnigiz 6 amper bu akumlyatorni toyintira olmaydi
Ex Sizdaqa Elektrikni !
Zaryadchinki 12 volt 60 Amper qilsam akumilyatorni eritib yuboramanku !
Сирожиддин
#19
Avtomobil akkumulyatorlarini ham zaryadlashni sodda usuli yo'qmi?
Unforgettable
#20
Мощний 12волтли блок питанияга улаб қўйсез бўлади.

Kunduzi: °C

13 May 2026 yil
Joylashuv aniqlanmadi
CORES.UZ
Платформа разработчиков
который можно найти всё
UZFOR.NET - Rasmiy guruh
t.me/@uzfornet_rasmiy